EVDA Ventilatori a doppia aspirazione
Descrizione
Ventilatori centrifughi a doppia aspirazione con motore direttamente accoppiato.
Conformi normativa ERP 2015.
Conformi normativa ERP 2015.
Caratteristiche
Materiale: acciaio zincato.
Finitura: zincato.
Finitura: zincato.
Impiego
Ventilatore per aria pulita impiegato nelle unità di trattamento aria, estrattori afonizzati e cappe.
Portate da 600 a 7.700 m³/h.
Pressioni da 50 Pa a 400 Pa.
Motorizzazioni 230V monofase ad esclusione delle versioni 1100 T dei modelli 12/9 e 12/12 che sono 400 V trifase.
Portate da 600 a 7.700 m³/h.
Pressioni da 50 Pa a 400 Pa.
Motorizzazioni 230V monofase ad esclusione delle versioni 1100 T dei modelli 12/9 e 12/12 che sono 400 V trifase.
Avvertenze
La temperatura dell’aria non deve superare i 40°C.
Verificare sempre gli assorbimenti del motore elettrico; sovrassorbimenti provocano surriscaldamento dello stesso, anomalie di funzionamento e/o rotture.
Tutti i motori sono provvisti di protezione termica integrata.
Verificare sempre gli assorbimenti del motore elettrico; sovrassorbimenti provocano surriscaldamento dello stesso, anomalie di funzionamento e/o rotture.
Tutti i motori sono provvisti di protezione termica integrata.
Accessori
- Supporti base.
- Flangia bocca premente.
- Reti di protezione antinfortunistiche per le bocche di aspirazione.
- Regolatori elettronici di velocità.
- Flangia bocca premente.
- Reti di protezione antinfortunistiche per le bocche di aspirazione.
- Regolatori elettronici di velocità.
Dati di funzionamento
Pa: perdite di carico in Pascal
dB (A): indice di rumorosità
T: trifase
3V: motore a 3 velocità
| Modello | W | Poli | dB (A) | Grado di protezione IP | pressione Pa | |||||||
| 50 | 100 | 150 | 200 | 250 | 300 | 350 | 400 | |||||
| portata m3/h | ||||||||||||
| 7/7 | 50 | 6 | 60 | IP30 | 1000 | 550 | ||||||
| 147 | 4 | 74 | IP55 | 1600 | 1550 | 1500 | 1400 | 1100 | 400 | |||
| 9/7 | 250 3V | 6 | 65 | IP20 | 1900 | 1650 | 1500 | |||||
| 420 | 4 | 72 | IP20 | 2300 | 2150 | 2050 | 1950 | 1900 | 1900 | 1900 | 1800 | |
| 9/9 | 250 3V | 6 | 62 | IP20 | 2400 | 2300 | 1800 | 200 | ||||
| 420 | 4 | 72 | IP30 | 2700 | 2500 | 2300 | 1300 | |||||
| 10/8 | 250 | 6 | 62 | IP30 | 2500 | 2400 | 2100 | 1400 | ||||
| 550 | 4 | 74 | IP30 | 2900 | 2700 | 2600 | 2000 | |||||
| 10/10 | 250 | 6 | 65 | IP20 | 2600 | 2400 | 500 | |||||
| 550 | 4 | 70 | IP30 | 2900 | 2800 | |||||||
| 12/9 | 745 | 6 | 68 | IP20 | 4800 | 4300 | ||||||
| 1100T | 6 | 72 | IP30 | 6000 | 5700 | 5200 | 4800 | 4200 | 3300 | 400 | ||
| 12/12 | 736 3V | 6 | 68 | IP30 | 4700 | 3700 | 400 | |||||
| 1100T | 6 | 72 | IP30 | 6800 | 6400 | 5800 | 5200 | 4400 | 2000 | |||
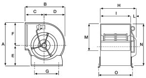
Dimensioni
tutte le dimensioni sono espresse in mm
| Modello | A | B | C | D | E | F | G | H | I | L | M | N | O |
| 7/7 | 329 | 321 | 157 | 164 | 143 | 186 | 225 | 277 | 232 | 45 | 200 | 328 | 260 |
| 9/7 | 392 | 378 | 184 | 194 | 176 | 216 | 300 | 303 | 232 | 71 | 261 | 389 | 260 |
| 9/9 | 392 | 378 | 184 | 194 | 176 | 216 | 300 | 369 | 298 | 71 | 261 | 389 | 326 |
| 10/8 | 445 | 428 | 207 | 221 | 199 | 246 | 340 | 333 | 265 | 68 | 289 | 442 | 293 |
| 10/10 | 445 | 428 | 207 | 221 | 199 | 246 | 340 | 399 | 331 | 68 | 289 | 442 | 359 |
| 12/9 | 525 | 498 | 237 | 261 | 234 | 291 | 408 | 394 | 309 | 85 | 342 | 337 | 522 |
| 12/12 | 525 | 498 | 237 | 261 | 234 | 291 | 408 | 480 | 395 | 85 | 342 | 522 | 423 |
Dimensioni supporti base
| Modello | A (mm) | B (mm) | C (mm) | D (mm) | E (mm) | ASOLA (mm) |
| EVDA 7/7 | 255 | 225 | 94 | 28 | 15 | 16x12 |
| EVDA 9/7-9/9 | 330 | 300 | 94 | 28 | 15 | 16x12 |
| EVDA 10/8- 10/10 | 370 | 340 | 130 | 28 | 15 | 16x12 |
| EVDA 12/9-12/12 | 438 | 408 | 130 | 28 | 15 | 16x12 |
Listino prezzi
| Modello | velocità | Potenza Max ass. | Alimentazione | Codice motore | Regolatore di velocità | Ventilatore EVDA | |
| W | euro | ||||||
| 7/7 | 1 | 50 | 230V-1F-50Hz | 713304-5 | RCS300 | 111,60 | 373,26 |
| 7/7 | 1 | 147 | 7133A15-5 | RCS300 | 111,60 | 434,11 | |
| 9/7 | 3 | 250 | 713314-5 | RCS600 | 136,80 | 636,97 | |
| 9/7 | 1 | 420 | 713316-5 | RCS900 | 162,00 | 596,40 | |
| 9/9 | 3 | 250 | 713335-5 | RCS600 (vel. max) | 136,80 | 653,20 | |
| 9/9 | 1 | 420 | 713332-5 | RCS900 | 162,00 | 576,11 | |
| 10/8 | 1 | 250 | 713354-5 | RCS600 | 136,80 | 632,91 | |
| 10/8 | 1 | 550 | 713355C-5 | RCS900 | 162,00 | 576,11 | |
| 10/10 | 1 | 250 | 713369-5 | RCS600 | 136,80 | 641,03 | |
| 10/10 | 1 | 550 | 713373C-5 | RCS900 | 162,00 | 584,23 | |
| 12/9 | 1 | 745 | 713390C-5 | RCS210 | 239,40 | 908,80 | |
| 12/9 | 1 | 1100 | 400V-3F-50Hz | 713394-5 | - | - | 973,71 |
| 12/12 | 3 | 736 | 230V-1F-50Hz | 7133G01CD-5 | RCS210 (vel. max) | 239,40 | 989,94 |
| 12/12 | 1 | 1100 | 400V-3F-50Hz | 713399-5 | - | - | 1.010,23 |
Accessori
| Descrizione | Euro |
| Supporto base per EVDA 7/7 | 25,29 |
| Supporto base per EVDA 9/7 9/9 | 31,71 |
| Supporto base per EVDA 10/8 10/10 | 38,14 |
| Supporto base per EVDA 12/9 12/12 | 44,57 |
| Kit viti + gommini | artVM13000000 |