DUCT Modulo di sanificazione da canale
Descrizione
JONIX duct è un unità di sanitizzazione e decontaminazione con tecnologia a plasma freddo, per la purificazione e decontaminazione delle superfici interne dei canali di distribuzione e dell’aria in transito.
Studiato per essere facilmente installabile in tutti i tipi di canalizzazione, dove si voglia prevenire o eliminare la formazione di colonie batteriche sulle superfici del canale e quelle aerotrasportate.
JONIX duct è semplice ed essenziale. In ottica di gestione integrata degli impianti, il controllo e le funzioni possono essere gestite da remoto.
Studiato per essere facilmente installabile in tutti i tipi di canalizzazione, dove si voglia prevenire o eliminare la formazione di colonie batteriche sulle superfici del canale e quelle aerotrasportate.
JONIX duct è semplice ed essenziale. In ottica di gestione integrata degli impianti, il controllo e le funzioni possono essere gestite da remoto.
Caratteristiche
Le caratteristiche di rilievo del dispositivo JONIX duct sono:
• alta efficienza: abbattimento della carica microbica e dei composti organici volatili fino al 99% rispetto alla loro concentrazione iniziale;
• basso consumo energetico: dai 20 ai 40 VA;
• forte azione deodorigena: elimina gli odori dall’aria in transito;
• processo naturale: non usa o produce sostanze chimiche residue.
• alta efficienza: abbattimento della carica microbica e dei composti organici volatili fino al 99% rispetto alla loro concentrazione iniziale;
• basso consumo energetico: dai 20 ai 40 VA;
• forte azione deodorigena: elimina gli odori dall’aria in transito;
• processo naturale: non usa o produce sostanze chimiche residue.
Modelli
- JONIX duct 70MIC2C portata aria fino a 500 m³/h.
- JONIX duct 70MIC4C portata aria fino a 1000 m³/h.
- JONIX duct 70MIC2F portata aria fino a 2000 m³/h.
- JONIX duct 70MIC4F portata aria fino a 4000 m³/h.
- JONIX duct 70MIC4C portata aria fino a 1000 m³/h.
- JONIX duct 70MIC2F portata aria fino a 2000 m³/h.
- JONIX duct 70MIC4F portata aria fino a 4000 m³/h.
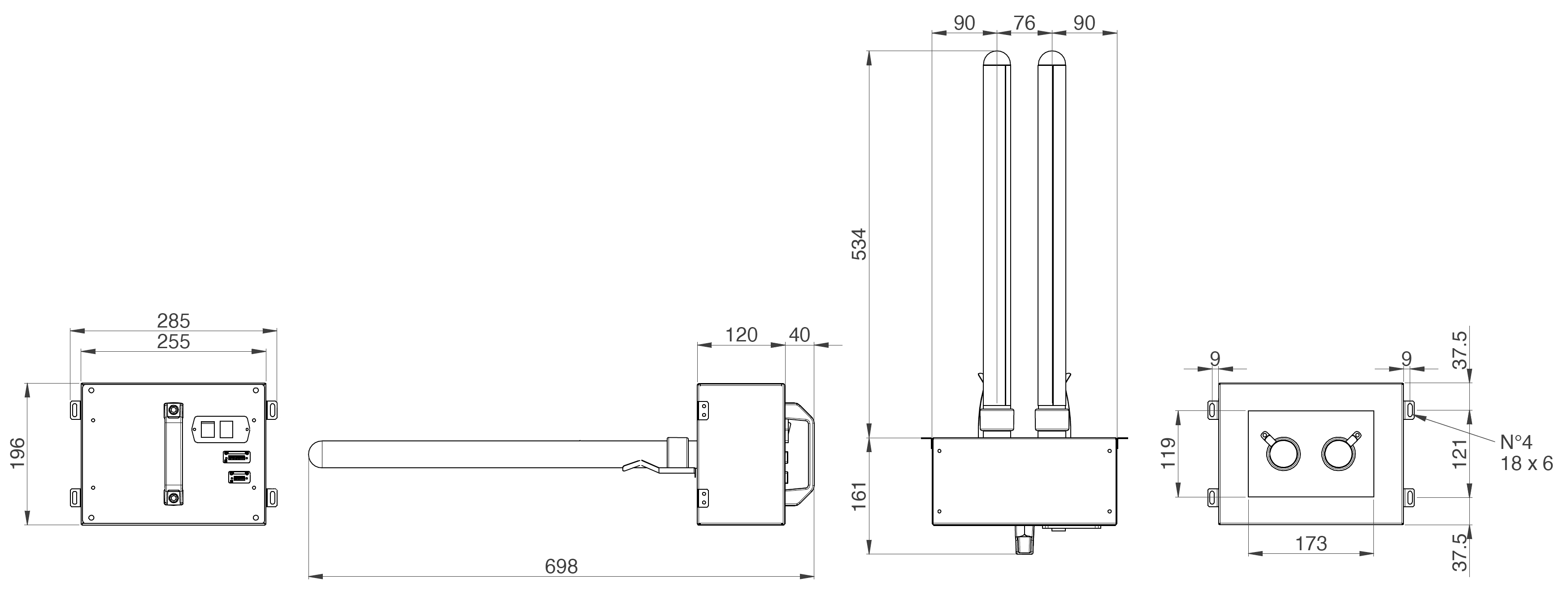
Dimensioni JONIX duct 70MIC2C:
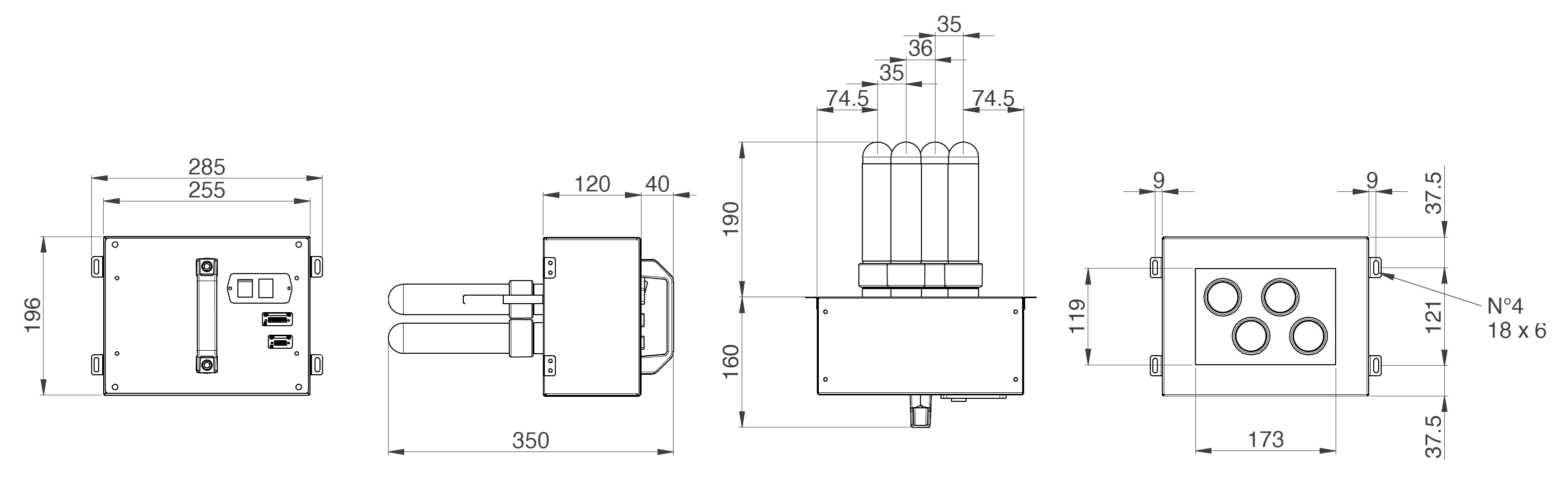
Dimensioni JONIX duct 70MIC4C:
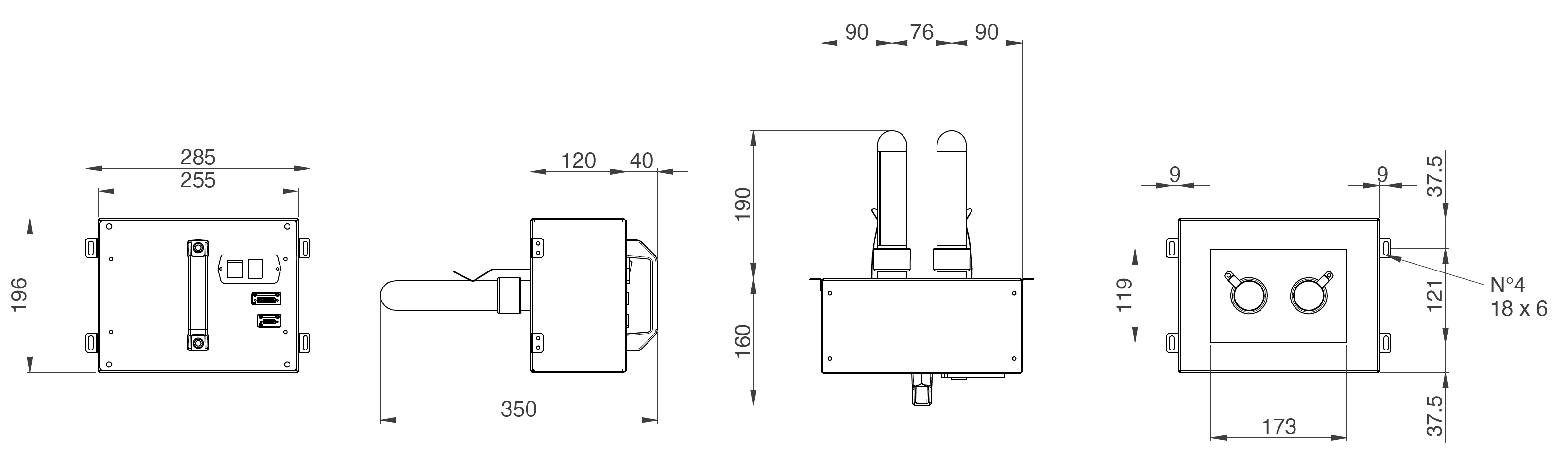
Dimensioni JONIX duct 70MIC2F:
Dimensioni JONIX duct 70MIC4F:
Caratteristiche tecniche:
*: I vari modelli possono essere montati in gruppo dello stesso tipo o combinati a seconda della portata d’aria da trattare.
| Modello* | JONIX duct 70MIC2C | JONIX duct 70MIC4C | JONIX duct 70MIC2F | JONIX duct 70MIC4F |
| Generatori del plasma | 2 x tipo 175 | 4 x tipo 175 | 2 x tipo 520 | 4 x tipo 520 |
| Sostituzione generatori | Ogni 14000 ore | |||
| Manutenzione generatori | Ogni 4000 ore | |||
| Elettronica di controllo incorporata | Stato dei dispositivi visibile anche da remoto | |||
| portata m3/h | 500 | 1000 | 2000 | 4000 |
| dimensioni (mm) | 290 x 350 x 200 | 290 x 350 x 200 | 290 x 700 x 200 | 290 x 700 x 200 |
| peso (kg) | 4 | 5 | 5 | 6 |
| Tipo di alimentazione | 230 V / ~1 / 50 Hz | |||
| Massima potenza assorbita (W) | 20 | 20 | 20 | 40 |
Listino prezzi:
| Modello | Descrizione | Euro |
| duct 70MIC2C | Dispositivo di sanificazione dell'aria e delle superfici interne delle condotte per una portata fino a 500 m3/h | artSB02000100 |
| duct 70MIC4C | Dispositivo di sanificazione dell'aria e delle superfici interne delle condotte per una portata fino a 1000 m3/h | artSB02000110 |
| duct 70MIC2F | Dispositivo di sanificazione dell'aria e delle superfici interne delle condotte per una portata fino a 2000 m3/h | artSB02000120 |
| duct 70MIC4F | Dispositivo di sanificazione dell'aria e delle superfici interne delle condotte per una portata fino a 4000 m3/h | artSB02000130 |